| Status de disponibilidade: | |
|---|---|
| Quantidade: | |

Uma válvula de borboleta é de uma família de válvulas chamada válvulas de quarto de volta. Em operação, a válvula está totalmente aberta ou fechada quando o disco é girado em um quarto de volta. O 'Butterfly ' é um disco de metal montado em uma haste. Quando a válvula é fechada, o disco é girado para que ele bloqueie completamente a passagem. Quando a válvula está totalmente aberta, o disco é girado em um quarto de volta, para que permita uma passagem quase irrestrita do fluido. A válvula também pode ser aberta incrementalmente para o fluxo do acelerador.
Especificação principal
| DN | Pn | Meduim | Temperatura | Corpo material | Disco material | Seat material |
| DN50-DN1200 | PN10 | Lima | -20 ℃ -120 ℃ | Dúctil ferro | SS304 | EPDM |
| PN16 | Gesso | WCB | SS316 | Ptfe | ||
| Pasta | Duplex inoxidável aço | Nbr | ||||
Desperdício água |
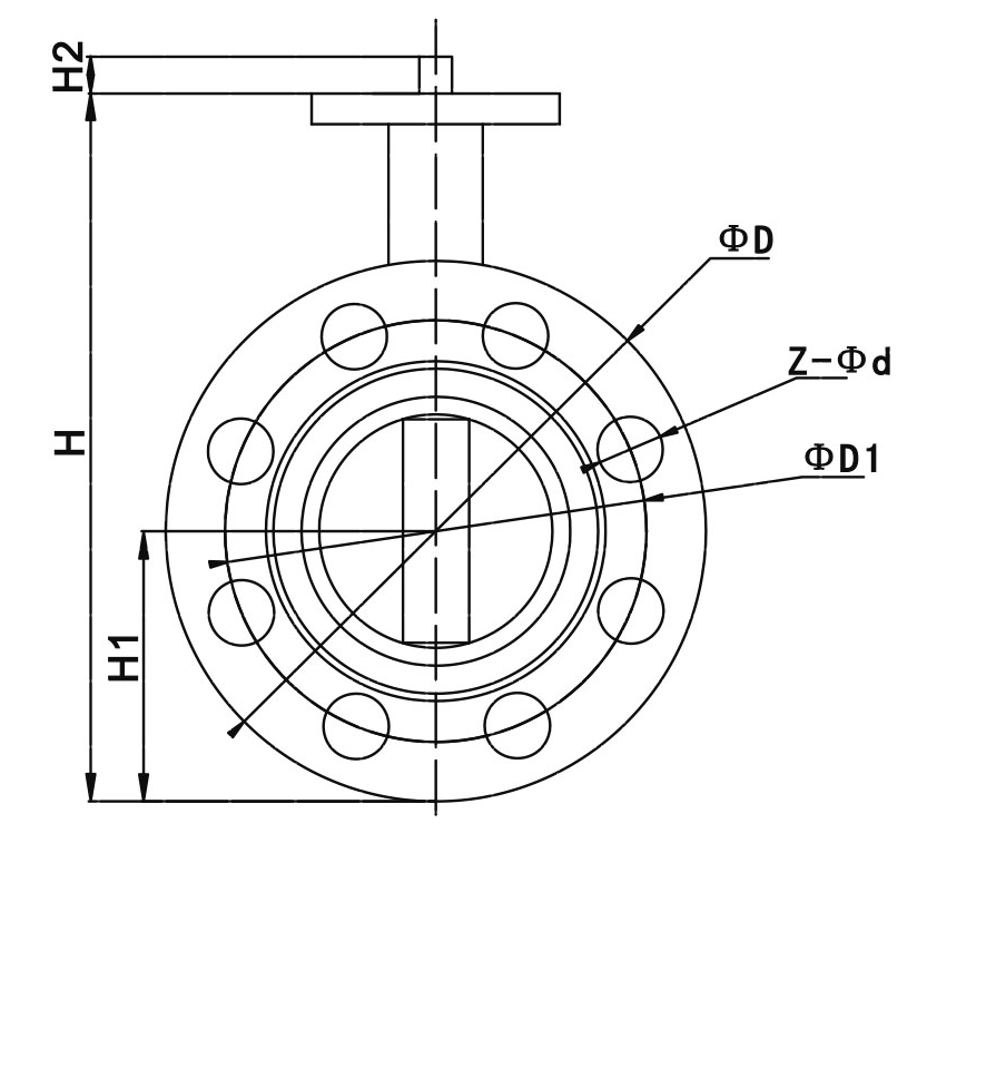
Dimensão principal


| DN | Dimensão (mm) | |||||||||||||||
| L | D1 | D | Z-t | H | H1 | G*fk | J | B | E | 4-t | H2 | Nm | ||||
| 0.6/1.0/1.6 | 0.6/1.0/1.6 | 0.6/1.0/1.6 | ||||||||||||||
| 50 | 108 | 110/125/125 | 140/165/165 | 4-14/4-18/4-18 | 200 | 80 | 12.6*9/11 | 1-3 | 65 | 50 | 4-7,5 | 27 | 22 | |||
| 65 | 112 | 130/145/145 | 160/185/185 | 4-14/4-18/4-18 | 219 | 89 | 12.6*9/11 | 1-3 | 65 | 50 | 4-7,5 | 27 | 28 | |||
| 80 | 114 | 150/160/160 | 190/200/200 | 4-18/8-18/8-18 | 240 | 95 | 12.6*9/11 | 1-3 | 65 | 50 | 4-7,5 | 27 | 44 | |||
| 100 | 127 | 170/180/180 | 210/220/220 | 4-18/8-18/8-18 | 270 | 114 | 16*11/11 | 1-5 | 90 | 70 | 4-10 | 27 | 69 | |||
| 125 | 140 | 200/210/210 | 240/250/250 | 8-18/8-18/8-18 | 295 | 125 | 18.9*13/14 | 1-5 | 90 | 70 | 4-10 | 27 | 114 | |||
| 150 | 140 | 225/240/240 | 265/285/285 | 8-18/8-22/8-22 | 330 | 142 | 18.9*13/14 | 1-5 | 90 | 70 | 4-10 | 27 | 155 | |||
| 200 | 152 | 280/295/295 | 320/340/340 | 8-18/8-22/12-22 | 375 | 170 | 22*16/17 | 1-5 | 125 | 102 | 4-12 | 45 | 282 | |||
| 250 | 165 | 335/350/355 | 375/395/405 | 12-18/12-22/12-26 | 433 | 198 | 28.5/22/22 | 1-8 | 125 | 102 | 4-12 | 45 | 434 | |||
| 300 | 178 | 395/400/410 | 440/445/460 | 12-22/12-22/12-26 | 503 | 223 | 31.6/22 | 1-8 | 150 | 102/125 | 4-12/14 | 50 | 670 | |||
| 350 | 190 | 445/460/470 | 490/505/520 | 12-22/16-22/16-26 | 590 | 260 | 31.6/22 | 1-8 | 150 | 102/125 | 4-12/14 | 50 | 1000 | |||
| 400 | 216 | 495/515/525 | 540/565/580 | 16-22/16-26/16-30 | 660 | 290 | 33.3/27 | 1-10 | 197 | 125/140 | 4-14/18 | 64 | 1664 | |||
| 450 | 222 | 550/565/585 | 595/615/640 | 16-22/16-26/16-30 | 720 | 320 | 38/27 | 1-12 | 197 | 140/165 | 4-18/22 | 64 | 1890 | |||
| 500 | 229 | 600/620/650 | 645/670/715 | 20-22/20-26/20-30 | 900 | 400 | 41/36 | 1-12 | 197 | 165 | 4-22 | 64 | 2440 | |||
| 600 | 267 | 705/725/770 | 755/780/840 | 20-26/20-30/20-36 | 1027 | 457 | 50.5/36 | 2-16 | 210/276 | 165 | 4-22 | 70 | 3350 | |||
| 700 | 292 | 810/840/840 | 860/895/910 | 24-26/24-30/24-36 | 1072 | 490 | 60/46 | 2-18 | 300 | 254 | 8-18 | 82 | 5600 | |||
| 800 | 318 | 920/950/950 | 975/1015/1025 | 24-30/24-33/24-39 | 1155 | 525 | 60/46 | 2-20 | 300 | 254 | 8-18 | 82 | 7300 | |||
| 900 | 330 | 1020/1050/1050 | 1075/1115/1125 | 24-30/28-33/28-39 | 1260 | 570 | 75/55 | 2-22 | 300 | 254 | 8-18 | 118 | 10000 | |||
| 1000 | 410 | 1120/1160/1170 | 1175/1230/1255 | 28-30/28-36/28-42 | 1390 | 645 | 85/55 | 2-25 | 300 | 254 | 8-18 | 148 | 13000 | |||
| 1200 | 470 | 1340/1380/1390 | 1405/1455/1485 | 32-33/32-39/32-48 | 1710 | 785 | 105/75 | 2-28 | 350 | 298 | 8-22 | 160 | 20000 | |||

Uma válvula de borboleta é de uma família de válvulas chamada válvulas de quarto de volta. Em operação, a válvula está totalmente aberta ou fechada quando o disco é girado em um quarto de volta. O 'Butterfly ' é um disco de metal montado em uma haste. Quando a válvula é fechada, o disco é girado para que ele bloqueie completamente a passagem. Quando a válvula está totalmente aberta, o disco é girado em um quarto de volta, para que permita uma passagem quase irrestrita do fluido. A válvula também pode ser aberta incrementalmente para o fluxo do acelerador.
Especificação principal
| DN | Pn | Meduim | Temperatura | Corpo material | Disco material | Seat material |
| DN50-DN1200 | PN10 | Lima | -20 ℃ -120 ℃ | Dúctil ferro | SS304 | EPDM |
| PN16 | Gesso | WCB | SS316 | Ptfe | ||
| Pasta | Duplex inoxidável aço | Nbr | ||||
Desperdício água |
Dimensão principal


| DN | Dimensão (mm) | |||||||||||||||
| L | D1 | D | Z-t | H | H1 | G*fk | J | B | E | 4-t | H2 | Nm | ||||
| 0.6/1.0/1.6 | 0.6/1.0/1.6 | 0.6/1.0/1.6 | ||||||||||||||
| 50 | 108 | 110/125/125 | 140/165/165 | 4-14/4-18/4-18 | 200 | 80 | 12.6*9/11 | 1-3 | 65 | 50 | 4-7,5 | 27 | 22 | |||
| 65 | 112 | 130/145/145 | 160/185/185 | 4-14/4-18/4-18 | 219 | 89 | 12.6*9/11 | 1-3 | 65 | 50 | 4-7,5 | 27 | 28 | |||
| 80 | 114 | 150/160/160 | 190/200/200 | 4-18/8-18/8-18 | 240 | 95 | 12.6*9/11 | 1-3 | 65 | 50 | 4-7,5 | 27 | 44 | |||
| 100 | 127 | 170/180/180 | 210/220/220 | 4-18/8-18/8-18 | 270 | 114 | 16*11/11 | 1-5 | 90 | 70 | 4-10 | 27 | 69 | |||
| 125 | 140 | 200/210/210 | 240/250/250 | 8-18/8-18/8-18 | 295 | 125 | 18.9*13/14 | 1-5 | 90 | 70 | 4-10 | 27 | 114 | |||
| 150 | 140 | 225/240/240 | 265/285/285 | 8-18/8-22/8-22 | 330 | 142 | 18.9*13/14 | 1-5 | 90 | 70 | 4-10 | 27 | 155 | |||
| 200 | 152 | 280/295/295 | 320/340/340 | 8-18/8-22/12-22 | 375 | 170 | 22*16/17 | 1-5 | 125 | 102 | 4-12 | 45 | 282 | |||
| 250 | 165 | 335/350/355 | 375/395/405 | 12-18/12-22/12-26 | 433 | 198 | 28.5/22/22 | 1-8 | 125 | 102 | 4-12 | 45 | 434 | |||
| 300 | 178 | 395/400/410 | 440/445/460 | 12-22/12-22/12-26 | 503 | 223 | 31.6/22 | 1-8 | 150 | 102/125 | 4-12/14 | 50 | 670 | |||
| 350 | 190 | 445/460/470 | 490/505/520 | 12-22/16-22/16-26 | 590 | 260 | 31.6/22 | 1-8 | 150 | 102/125 | 4-12/14 | 50 | 1000 | |||
| 400 | 216 | 495/515/525 | 540/565/580 | 16-22/16-26/16-30 | 660 | 290 | 33.3/27 | 1-10 | 197 | 125/140 | 4-14/18 | 64 | 1664 | |||
| 450 | 222 | 550/565/585 | 595/615/640 | 16-22/16-26/16-30 | 720 | 320 | 38/27 | 1-12 | 197 | 140/165 | 4-18/22 | 64 | 1890 | |||
| 500 | 229 | 600/620/650 | 645/670/715 | 20-22/20-26/20-30 | 900 | 400 | 41/36 | 1-12 | 197 | 165 | 4-22 | 64 | 2440 | |||
| 600 | 267 | 705/725/770 | 755/780/840 | 20-26/20-30/20-36 | 1027 | 457 | 50.5/36 | 2-16 | 210/276 | 165 | 4-22 | 70 | 3350 | |||
| 700 | 292 | 810/840/840 | 860/895/910 | 24-26/24-30/24-36 | 1072 | 490 | 60/46 | 2-18 | 300 | 254 | 8-18 | 82 | 5600 | |||
| 800 | 318 | 920/950/950 | 975/1015/1025 | 24-30/24-33/24-39 | 1155 | 525 | 60/46 | 2-20 | 300 | 254 | 8-18 | 82 | 7300 | |||
| 900 | 330 | 1020/1050/1050 | 1075/1115/1125 | 24-30/28-33/28-39 | 1260 | 570 | 75/55 | 2-22 | 300 | 254 | 8-18 | 118 | 10000 | |||
| 1000 | 410 | 1120/1160/1170 | 1175/1230/1255 | 28-30/28-36/28-42 | 1390 | 645 | 85/55 | 2-25 | 300 | 254 | 8-18 | 148 | 13000 | |||
| 1200 | 470 | 1340/1380/1390 | 1405/1455/1485 | 32-33/32-39/32-48 | 1710 | 785 | 105/75 | 2-28 | 350 | 298 | 8-22 | 160 | 20000 | |||