| Status de disponibilidade: | |
|---|---|
| Quantidade: | |

Aplicação de princípio de trabalho:
A válvula de esfera do flange (Q41F) é uma válvula acionada pela haste da válvula e gira em torno do eixo da bola. Também pode ser usado para ajuste e controle de fluidos. A válvula de esfera é usada principalmente para cortar na tubulação. Ele só precisa girar suavemente. A operação e o pequeno torque de rotação podem ser bem fechados. A válvula é dividida na válvula de esfera manual, válvula de esfera pneumática, válvula de esfera elétrica e válvula de controle proporcional elétrica de acordo com o método de acionamento. Amplamente utilizado em: alimentos, bebidas, produtos químicos e outros campos.
Vantagem:
A conexão do flange melhora o teappuaramento das válvulas industriais no passado, adota moagem mecânica, tratamento de superfície e alcança superfícies limpas internas e externas, complementando as vantagens do grau alimentar e do grau industrial e realmente resolvendo a coleta de experiência em equipamentos de extensão em várias indústrias.

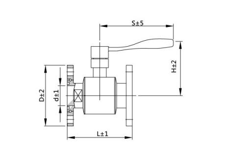
| Tamanho | d | D | L | H | S |
| DN15 | 16 | 100 | 100 | 60 | 120 |
| DN25 | 28 | 110 | 130 | 85 | 150 |
| DN32 | 35 | 130 | 140 | 95 | 150 |
| DN40 | 42 | 140 | 150 | 108 | 165 |
| DN50 | 50 | 160 | 164 | 115 | 165 |
| DN65 | 66 | 180 | 190 | 128 | 220 |
| DN80 | 80 | 200 | 210 | 146 | 240 |
| DN100 | 100 | 220 | 240 | 190 | 240 |

Aplicação de princípio de trabalho:
A válvula de esfera do flange (Q41F) é uma válvula acionada pela haste da válvula e gira em torno do eixo da bola. Também pode ser usado para ajuste e controle de fluidos. A válvula de esfera é usada principalmente para cortar na tubulação. Ele só precisa girar suavemente. A operação e o pequeno torque de rotação podem ser bem fechados. A válvula é dividida na válvula de esfera manual, válvula de esfera pneumática, válvula de esfera elétrica e válvula de controle proporcional elétrica de acordo com o método de acionamento. Amplamente utilizado em: alimentos, bebidas, produtos químicos e outros campos.
Vantagem:
A conexão do flange melhora o teappuaramento das válvulas industriais no passado, adota moagem mecânica, tratamento de superfície e alcança superfícies limpas internas e externas, complementando as vantagens do grau alimentar e do grau industrial e realmente resolvendo a coleta de experiência em equipamentos de extensão em várias indústrias.

| Tamanho | d | D | L | H | S |
| DN15 | 16 | 100 | 100 | 60 | 120 |
| DN25 | 28 | 110 | 130 | 85 | 150 |
| DN32 | 35 | 130 | 140 | 95 | 150 |
| DN40 | 42 | 140 | 150 | 108 | 165 |
| DN50 | 50 | 160 | 164 | 115 | 165 |
| DN65 | 66 | 180 | 190 | 128 | 220 |
| DN80 | 80 | 200 | 210 | 146 | 240 |
| DN100 | 100 | 220 | 240 | 190 | 240 |