| Status de disponibilidade: | |
|---|---|
| Quantidade: | |

As válvulas de borboleta ao estilo de lug têm inserções rosqueadas nos dois lados do corpo da válvula. Isso permite que eles sejam instalados em um sistema usando dois conjuntos de parafusos e sem nozes. A válvula é instalada entre dois flanges usando um conjunto separado de parafusos para cada flange. Essa configuração permite que ambos os lados do sistema de tubulação sejam desconectados sem perturbar o outro lado.
As válvulas de borboleta ao estilo de lug usadas no serviço sem saída geralmente têm uma classificação de pressão reduzida. Por exemplo, uma válvula de borboleta no estilo de lugo montada entre dois flanges possui uma classificação de pressão de 1.000 kPa (150 psi). A mesma válvula montada com um flange, no serviço sem saída, possui uma classificação de 520 kPa (75 psi). As válvulas arborizadas são extremamente resistentes a produtos químicos e solventes e podem lidar com temperaturas de até 200 ° C, o que a torna uma solução versátil.
Especificação principal
| Tamanho | Pn | Meduim | Temperatura | Corpo material | Material do disco | Seat |
| DN25-DN900 | PN10-PN16 | Água doce | -20 ℃ -140 ℃ | Ferro fundido | SS304 | Nbr |
| Água do mar | Ferro dúctil | SS316 | EPDM | |||
| Ar | WCB | Ptfe | ||||
| óleo | SS304/316 |
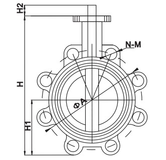
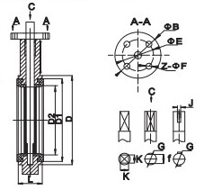
Dimensão principal


| L | PN (10/16) | φb | H | H1 | G*f/k | J | H2 | φe | Z-tal | φd | φd1 | φd2 | ||
| DN | φa | Nm | ||||||||||||
| 25 | 33 | 85 | 4-12 | 55/65 | 140 | 46 | 9,5*7/11 | / | 15/27 | 45/50 | 4-5.2/7.5 | 69 | 59 | 34 |
| 32 | 33 | 100 | 4-16 | 55/65 | 140 | 46 | 9,5*7/11 | / | 15/27 | 45/50 | 4-5.2/7.5 | 69 | 59 | 34 |
| 40 | 33 | 110 | 4-16 | 55/65 | 147 | 53 | 9,5*7/11 | / | 15/27 | 45/50 | 4-5.2/7.5 | 80 | 68 | 44 |
| 50 | 42 | 125 | 4-16 | 65/90 | 195 | 55 | 14*10/11 | 1-3 | 15/27 | 50/70 | 4-7.5/10 | 95 | 82 | 55 |
| 65 | 44 | 145 | 4-16 | 65/90 | 217 | 64 | 14*10/11 | 1-3 | 15/27 | 50/70 | 4-7.5/10 | 114 | 97 | 69 |
| 80 | 44 | 160 | 8-16 | 65/90 | 232 | 73 | 14*10/11 | 1-3 | 15/27 | 50/70 | 4-7.5/10 | 126 | 113 | 81 |
| 100 | 50 | 180 | 8-16 | 90 | 270 | 88 | 16*11/11 | 1-5 | 20/27 | 70 | 4-10 | 154 | 139 | 108 |
| 125 | 56 | 210 | 8-16 | 90 | 292 | 102 | 19*13/14 | 1-5 | 20/27 | 70 | 4-10 | 180 | 163 | 135 |
| 150 | 56 | 240 | 8-20 | 90 | 318 | 115 | 19*13/14 | 1-5 | 20/27 | 70 | 4-10 | 206 | 195 | 154 |
| 200 | 60 | 295 | 8-20/12-20 | 120/150 | 390 | 149 | 22*16/17 | 1-5 | 25/40 | 102 | 4-12 | 264 | 250 | 205 |
| 250 | 68 | 350/355 | 12-20/12-24 | 120/150 | 457 | 184 | 30*22/22 | 1-8 | 30/45 | 102 | 4-12 | 320 | 305 | 255 |
| 300 | 78 | 400/410 | 12-20/12-24 | 150 | 518 | 207 | 30*22/22 | 1-8 | 30/50 | 102/125 | 4-12/14 | 370 | 352 | 302 |
| 350 | 78 | 460/470 | 1620/16-24 | 150 | 610 | 247 | 35/27 | 1-8 | 35/55 | 102/125 | 4-12/14 | 430 | 405 | 345 |
| 400 | 102 | 515/525 | 16-24/16-27 | 150/200 | 650 | 275 | 40/27 | 1-10 | 35/64 | 125/140 | 4-14/18 | 480 | 455 | 395 |
| 450 | 114 | 565/585 | 20-24/20-27 | 210 | 713 | 307 | 50/36 | 1-12 | 50/80 | 140/165 | 4-18/22 | 550 | 515 | 450 |
| 500 | 127 | 620/650 | 20-24/20-30 | 210 | 768 | 330 | 50/36 | 1-12 | 50/80 | 165 | 4-22 | 590 | 565 | 500 |
| 600 | 151 | 725/770 | 20-24/20-33 | 210 | 919 | 400 | 60/46 | 2-16 | 50/80 | 165 | 4-22 | 695 | 674 | 585 |
| 700 | 163 | 840 | 24-27/24-33 | 300 | 1144 | 520 | 60/46 | 2-18 | 55/82 | 254 | 8-18 | 787 | 760 | 705 |
| 800 | 190 | 950 | 24-30/24-36 | 300 | 1263 | 591 | 60/46 | 2-20 | 55/82 | 254 | 8-18 | 905 | 878 | 810 |
| 900 | 203 | 1050 | 28-30/28-36 | 300 | 1376 | 656 | 75/55 | 2-22 | 55/118 | 254 | 8-18 | 970 | 955 | 885 |

As válvulas de borboleta ao estilo de lug têm inserções rosqueadas nos dois lados do corpo da válvula. Isso permite que eles sejam instalados em um sistema usando dois conjuntos de parafusos e sem nozes. A válvula é instalada entre dois flanges usando um conjunto separado de parafusos para cada flange. Essa configuração permite que ambos os lados do sistema de tubulação sejam desconectados sem perturbar o outro lado.
As válvulas de borboleta ao estilo de lug usadas no serviço sem saída geralmente têm uma classificação de pressão reduzida. Por exemplo, uma válvula de borboleta no estilo de lugo montada entre dois flanges possui uma classificação de pressão de 1.000 kPa (150 psi). A mesma válvula montada com um flange, no serviço sem saída, possui uma classificação de 520 kPa (75 psi). As válvulas arborizadas são extremamente resistentes a produtos químicos e solventes e podem lidar com temperaturas de até 200 ° C, o que a torna uma solução versátil.
Especificação principal
| Tamanho | Pn | Meduim | Temperatura | Corpo material | Material do disco | Seat |
| DN25-DN900 | PN10-PN16 | Água doce | -20 ℃ -140 ℃ | Ferro fundido | SS304 | Nbr |
| Água do mar | Ferro dúctil | SS316 | EPDM | |||
| Ar | WCB | Ptfe | ||||
| óleo | SS304/316 |
Dimensão principal


| L | PN (10/16) | φb | H | H1 | G*f/k | J | H2 | φe | Z-tal | φd | φd1 | φd2 | ||
| DN | φa | Nm | ||||||||||||
| 25 | 33 | 85 | 4-12 | 55/65 | 140 | 46 | 9,5*7/11 | / | 15/27 | 45/50 | 4-5.2/7.5 | 69 | 59 | 34 |
| 32 | 33 | 100 | 4-16 | 55/65 | 140 | 46 | 9,5*7/11 | / | 15/27 | 45/50 | 4-5.2/7.5 | 69 | 59 | 34 |
| 40 | 33 | 110 | 4-16 | 55/65 | 147 | 53 | 9,5*7/11 | / | 15/27 | 45/50 | 4-5.2/7.5 | 80 | 68 | 44 |
| 50 | 42 | 125 | 4-16 | 65/90 | 195 | 55 | 14*10/11 | 1-3 | 15/27 | 50/70 | 4-7.5/10 | 95 | 82 | 55 |
| 65 | 44 | 145 | 4-16 | 65/90 | 217 | 64 | 14*10/11 | 1-3 | 15/27 | 50/70 | 4-7.5/10 | 114 | 97 | 69 |
| 80 | 44 | 160 | 8-16 | 65/90 | 232 | 73 | 14*10/11 | 1-3 | 15/27 | 50/70 | 4-7.5/10 | 126 | 113 | 81 |
| 100 | 50 | 180 | 8-16 | 90 | 270 | 88 | 16*11/11 | 1-5 | 20/27 | 70 | 4-10 | 154 | 139 | 108 |
| 125 | 56 | 210 | 8-16 | 90 | 292 | 102 | 19*13/14 | 1-5 | 20/27 | 70 | 4-10 | 180 | 163 | 135 |
| 150 | 56 | 240 | 8-20 | 90 | 318 | 115 | 19*13/14 | 1-5 | 20/27 | 70 | 4-10 | 206 | 195 | 154 |
| 200 | 60 | 295 | 8-20/12-20 | 120/150 | 390 | 149 | 22*16/17 | 1-5 | 25/40 | 102 | 4-12 | 264 | 250 | 205 |
| 250 | 68 | 350/355 | 12-20/12-24 | 120/150 | 457 | 184 | 30*22/22 | 1-8 | 30/45 | 102 | 4-12 | 320 | 305 | 255 |
| 300 | 78 | 400/410 | 12-20/12-24 | 150 | 518 | 207 | 30*22/22 | 1-8 | 30/50 | 102/125 | 4-12/14 | 370 | 352 | 302 |
| 350 | 78 | 460/470 | 1620/16-24 | 150 | 610 | 247 | 35/27 | 1-8 | 35/55 | 102/125 | 4-12/14 | 430 | 405 | 345 |
| 400 | 102 | 515/525 | 16-24/16-27 | 150/200 | 650 | 275 | 40/27 | 1-10 | 35/64 | 125/140 | 4-14/18 | 480 | 455 | 395 |
| 450 | 114 | 565/585 | 20-24/20-27 | 210 | 713 | 307 | 50/36 | 1-12 | 50/80 | 140/165 | 4-18/22 | 550 | 515 | 450 |
| 500 | 127 | 620/650 | 20-24/20-30 | 210 | 768 | 330 | 50/36 | 1-12 | 50/80 | 165 | 4-22 | 590 | 565 | 500 |
| 600 | 151 | 725/770 | 20-24/20-33 | 210 | 919 | 400 | 60/46 | 2-16 | 50/80 | 165 | 4-22 | 695 | 674 | 585 |
| 700 | 163 | 840 | 24-27/24-33 | 300 | 1144 | 520 | 60/46 | 2-18 | 55/82 | 254 | 8-18 | 787 | 760 | 705 |
| 800 | 190 | 950 | 24-30/24-36 | 300 | 1263 | 591 | 60/46 | 2-20 | 55/82 | 254 | 8-18 | 905 | 878 | 810 |
| 900 | 203 | 1050 | 28-30/28-36 | 300 | 1376 | 656 | 75/55 | 2-22 | 55/118 | 254 | 8-18 | 970 | 955 | 885 |